Andere Roboter Panasonic VR006 arc welding robots with Panastar 350 A
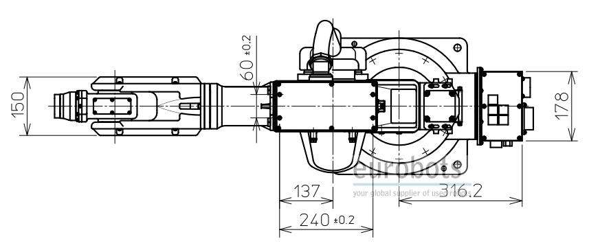
6 axis industrial robot Panasonic model VR006 year 2001, 1360 mm horizontal arm reach and 6 kg payload. Gas cooled welding torch with antishock system, wire feeder and Panastar AR350 MIG/MAG power welding source, 350 Amperes. G controller with specific arc welding software.
Fotos
Aufzeichnungen
Diagramme
English
Spain
France
Russia
China
Argentina
Portugal
Colombia
Italy
India
Brazil
Japan
Mexico
Turkey
Ukraine
Peru
Sth. Africa